Alle zugeschnittenen Baudielen und Baubretter entsprechend den oben stehenden Bohrskizzen mit dem „Vorbohrer mit Senker“ vorbohren.
Mobile Outdoor-Küche selber bauen
Bau dir Deine BUILDIFY Freiluft-Küche Wilma & Fred einfach selbst, ganz nach Deinem Geschmack. Wir haben das beste Rezept dafür: Eine praktische, mobile Küche für draußen auf Rollen. Wir zeigen Dir, wie Du eine Mobile Outdoor-Küche selber bauen kannst.

Mobile Outdoor-Küche: Das brauchst Du
Mobile Outdoor-Küche vorbereiten
Speziell für Holz im Außenbereich empfehlen wir einen einmaligenVorstrich mit Holzgrundierung außen als perfekte Vorbereitung für schützende und schöne Anstriche.
Für hervorragende Wetterbeständigkeit sind anschließend mindestens zwei Anstriche mit Hybrid-Holzlasur farblos erforderlich – beachte die Angaben der Hersteller zu Verarbeitung und Trocknungszeiten. (Die Siebdruckplatte muss nicht behandelt werden.)
Du brauchst mehr Farbe? Natürlich kannst Du die Möbel statt mit Holzlasur farblos auch mit Lack und Lasur in Deiner Lieblingsfarbe streichen. (Die Siebdruckplatte kann nicht gestrichen werden.)

Werden die Möbel auf dem Rasen oder einem anderen organischen Untergrund aufgestellt? Dann sollten für einen stabilen Stand sowie zum Schutz vor Feuchtigkeit und Schimmel Steinplatten o. Ä. untergelegt werden.
Holzzuschnitt mobile Outdoor-Küche



Brauchst Du Hilfe beim richtigen Zuschneiden der Holzteile? Komm doch einfach vorbei, wir übernehmen das gerne für dich.
2 x Regalboden lang, 2 x Regalboden kurz
(Zur Orientierung siehe auch Illustration am Anfang dieser Anleitung)

Bohrskizzen mobile Outdoor-Küche
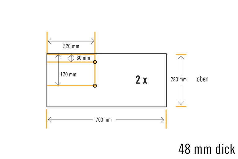
2 x Boden kurz, 2 x Deckel kurz
(Zur Orientierung siehe auch Illustration am Anfang dieser Anleitung)

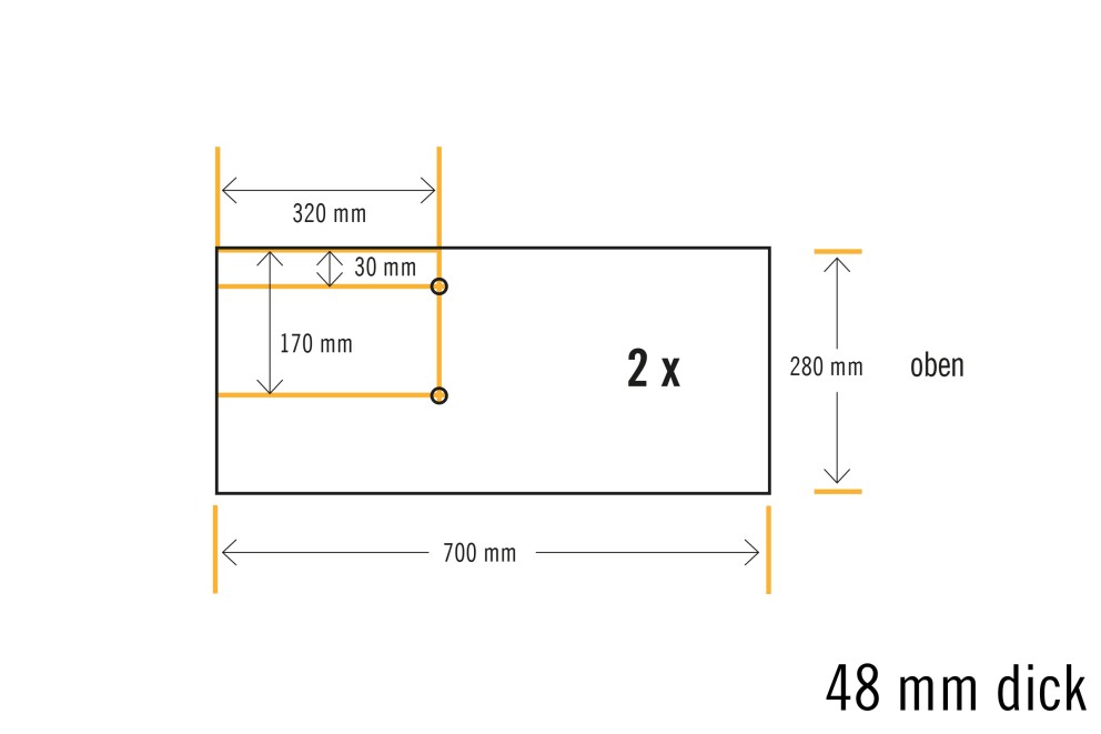
2 x Boden lang, 2 x Deckel lang
(Zur Orientierung siehe auch Illustration am Anfang dieser Anleitung)

Seitenteil 1, Seitenteil 3
(Zur Orientierung siehe auch Illustration am Anfang dieser Anleitung)

Seitenteil 2, Seitenteil 4
(Zur Orientierung siehe auch Illustration am Anfang dieser Anleitung)

Mittelstütze 1
(Zur Orientierung siehe auch Illustration am Anfang dieser Anleitung)

Mittelstütze 2
(Zur Orientierung siehe auch Illustration am Anfang dieser Anleitung)

Mittelstütze 3
(Zur Orientierung siehe auch Illustration am Anfang dieser Anleitung)

(Zur Orientierung siehe auch Illustration am Anfang dieser Anleitung)

Mobile Outdoor-Küche bauen: So geht's
Baudielen und Baubretter vorbohren
Baudielen und Baubretter schleifen
Kanten und Oberflächen aller Baudielen und Baubretter mit dem Exzenterschleifer schleifen, bis alle rauen Stellen glatt sind und keine Gefahr mehr durch Splitter und Späne besteht.
Tipp: Bohren
Für das Bohren empfiehlt sich ein „Vorbohrer mit Senker“. Damit entsteht am oberen Ende des Bohrlochs ein Konus, der Platz für den Schraubenkopf bietet. Der Schraubenkopf steht dadurch nicht über, und Du vermeidest Risse im Holz!

Rohre zuschneiden
Die Rohre (2000 mm) gemäß den Angaben mit der Metall- säge zuschneiden. Die Enden der abgesägten Rohre innen und außen mit der Halbrundfeile entgraten, um Verletzungen zu vermeiden.
Sicherheitshinweis
Trage bei den folgenden Arbeitsschritte geeignete Schutzhandschuhe.
Baudielen 1 verschrauben
„Boden lang 1“ und „Deckel lang 1“ mit jeweils drei Schrauben (5,0x80 mm) an „Seitenteil 1“ allseits bündig verschrauben. (Zur Orientierung siehe auch Illustration am Anfang dieser Anleitung).
Baudielen 2 verschrauben
„Boden lang 2“ und „Deckel lang 2“ mit jeweils drei Schrauben (5,0x80 mm) an „Seitenteil 2“ allseits bündig verschrauben.
Mittelstütze 2 verschrauben
Die „Mittelstütze 2“ allseits bündig ausrichten und an den Enden mit jeweils zwei Schrauben (5,0x60 mm) mit „Boden 1“ und „Deckel 1“ verschrauben.
Mittelstütze 1 verschrauben
Die „Mittelstütze 1“ außen bündig ausrichten – Abstand zur offenen Seite: 220 mm. Anschließend an den Enden mit jeweils zwei Schrauben (5,0x60 mm) mit „Boden 2“ und „Deckel 2“ verschrauben.
Lange Module mit Baubrettern verbinden
Die beiden entstandenen langen Module allseits bündig zueinander ausrichten und zwei Baubretter entsprechend der Abbildung auf der Unterseite der beiden langen Böden ausrichten. Danach die beiden Baubretter mit jeweils acht Schrauben (5,0x60 mm) mit den beiden langen Böden verschrauben.
Baubrett verschrauben
Die beiden langen Module auf den Deckel stellen, die Unterseite nach oben gerichtet. Ein Baubrett wie abgebildet auf den Unterseiten der langen Deckel ausrichten und von unten mit den beiden langen Deckeln mit jeweils 4 Schrauben (5,0x60 mm) verschrauben.
Rollen anbringen
Das Modul auf dem Deckel stehen lassen, die Unterseite nach oben gerichtet. Zwei Geräte-Lenkrollen an der geschlossenen Seite des Moduls und zwei Geräte-Bockrollen an der offenen Seite des Moduls mit einem Abstand von jeweils 15 mm zu den Kanten ausrichten und mit jeweils vier Schrauben (5,0x30 mm) verschrauben.
Baudielen verschrauben
Den „Regalboden lang 1“ mit jeweils zwei Schrauben (5,0x80 mm) an der „Mittelstütze 1“ und der „Mittelstütze 2“ und mit zwei Schrauben (5,0x80 mm) an „Seitenteil 1“ verschrauben. Diesen Schritt mit dem „Regalboden lang 2“ auf der anderen Seite wiederholen.
Baudielen vorbohren
Nun wird das Verschrauben der großen Siebdruckplatte auf der Oberseite des großen Moduls vorbereitet: Dazu den „Deckel lang 1“ und den „Deckel lang 2“ entsprechend der Bohrskizzen mit dem „Vorbohrer mit Senker“ vorbohren.
Siebdruckplatte verschrauben
Die große Siebdruckplatte (600x1200 mm) auf der Oberseite allseits bündig ausrichten und von unten mit zehn Schrauben (5,0x60 mm) mit dem Deckel verschrauben.
Zweiter Teil der Outdoor-Küche
Nun wird der zweite Teil der Küche gebaut: „Boden kurz 1“ und „Deckel kurz 1“ mit jeweils drei Schrauben (5,0x80 mm) an „Seitenteil 3“ allseits bündig verschrauben. Auf die gleiche Weise „Boden kurz 2“ und „Deckel kurz 2“ mit „Seitenteil 4“ verschrauben.
Mittelstütze 3 verschrauben
Die „Mittelstütze 3“ mit jeweils zwei Schrauben (5,0x60 mm) am „Deckel kurz 1“ und „Boden kurz 1“ verschrauben. Danach das zweite kurze Modul allseits bündig am ersten kurzen Modul ausrichten.
Drei Baubretter verschrauben
Zwei Schalbretter entsprechend der Abbildung auf der Unterseite des kurzen Elements ausrichten und mit jeweils acht Schrauben (5,0x60 mm) verschrauben. Ein weiteres Schalbrett mit acht Schrauben (5,0x60 mm) von unten mittig mit dem Deckel verschrauben, unmittelbar an der „Mittelstütze 3“.
Baudielen verschrauben und Rollen anbringen
Den „Regalboden kurz 1“ mit zwei Schrauben (5,0x80 mm) an der „Mittelstütze 3“ und mit zwei Schrauben (5,0x80 mm) an „Seitenteil 3“ verschrauben. Diesen Schritt mit „Regalboden kurz 2“ an „Seitenteil 4“ und der „Mittelstütze 3“ wiederholen. Nun auch am kurzen Modul die Rollen anbringen – dazu Schritt 10 mit dem kurzen Modul und den übrigen vier Rollen wiederholen.
Baudielen vorbohren
Nun wird das Verschrauben der kleinen Siebdruckplatte auf der Oberseite des kleinen Moduls vorbereitet: Dazu den „Deckel kurz 1“ und den „Deckel kurz 2“ entsprechend der Bohrskizzen mit dem „Vorbohrer mit Senker“ von unten vorbohren.
Siebdruckplatte verschrauben
Die kleine Siebdruckplatte (600x700 mm) auf der Oberseite allseits bündig ausrichten und von unten mit zehn Schrauben (5,0x60 mm) mit dem Deckel verschrauben.
Spülenausschnitt aussägen
Die Spüle entsprechend der Abbildung auf der Siebdruckplatte ausrichten und mit dem Bleistift den Umfang nachzeichnen. Mit einem Abstand von 10 mm einen zweiten Kreis innerhalb des ersten Kreises zeichnen. Nun mit der Bohrmaschine zwei Löcher innen am kleinen Kreis bohren. In diese Löcher wird später das Sägeblatt der Stichsäge eingeführt.
Spülenausschnitt sägen
Danach diesen kleineren, inneren Kreis mit der Stichsäge aussägen. Dazu das Sägeblatt der Stichsäge in die vorgebohrten Löcher an der Innenseite des kleinen Kreises einsetzen und entlang der inneren Linie aussägen. Nach dem Sägen Schleifpapier um den Handschleifklotz wickeln und die Sägekanten schleifen, bis alle rauen Stellen glatt sind.
Armaturenloch bohren
Entsprechend der Abbildung mit dem Forstnerbohrer den Ausschnitt für die Küchenarmatur in die Siebdruckplatte bohren. Das Bohrloch mit Schleifpapier schleifen. Danach den Spülenausschnitt von Staub befreien und die Spüle reinigen – sie muss staub- und fettfrei sein.
Spüle einsetzen
Silikon auf den Spülenrand auftragen und die Spüle einsetzen. Küchenarmatur einsetzen und die Ablaufgarnitur der Spüle anbringen.
Garnitur befestigen
Den Hahnverbinder von unten an die Küchenarmatur schrauben und einen Gartenschlauch zur Wasserzufuhr daran befestigen.
Achtung kein Trinkwasser
Je nach verwendeten Anschlussmaterialien (wie z. B. bei einem Gartenschlauch) ist das Wasser aus dem Hahn nicht trinkbar. Trinkwasserschläuche und passendes Zubehör findest du in unserem Onlineshop.
Befestigungsringe verschrauben
Die Befestigungsringe entsprechend der Abbildung an „Seitenteil 2“ mit jeweils zwei Schrauben (5,0x30 mm) befestigen.
Rohre anbringen
Das Rohr (1500 mm) durch den oberen Befestigungsring schieben, den Haken für den Ascheeimer auf das Rohr stecken und dann das Rohr durch den unteren Ring schieben. Anschließend das Rohr mit den Ringen und den Haken mit dem Innensechskantschlüssel BUILDIFY festziehen. Zum Schluss am unteren Ende des Rohres (1500 mm) die Abdeckkappe mit dem Hammer in das Rohr einschlagen. Die Garderobenleiste als Handtuchhaken an der gewünschten Stelle mit zwei Schrauben (5,0x30 mm) anbringen.
Mobile Outdoor-Küche fertigstellen
Die Fußplatte entsprechend der Abbildung mit vier Schrauben (5,0x30 mm) auf der Siebdruckplatteverschrauben. Die Rohre (1100 mm und 750 mm) mit einem Winkelstück verbinden und die Schrauben leicht mit dem Innensechskantschlüssel BUILDIFY anziehen. Auf das obere Rohr beliebig viele Haken aufschieben, z. B. für die LED-Leuchte.
Das zweite Winkelstück auf das Rohr (1100 mm) stecken und auch hier nur leicht anziehen. Den Rohrwinkel auf der einen Seite in die Fußplatte und auf der anderen Seite auf das lange Rohr (1100 mm) stecken – dazu die Schrauben wieder lösen, falls die Teile nicht im richtigen Winkel sind.
Abschließend alles festziehen, auch die Haken. Die Module zusammen- schieben und mit den Stellbremsen die Rollen fixieren.
Sicherheitshinweise mobile Outdoor-Küche
- Keines der Möbelstücke darf zum Klettern oder Turnen benutzt werden. Um Sturzunfällen vorzubeugen, insbesondere Kindern das Risiko bewusst machen.
- Bei allen Arbeitsschritten geeignete Schutzausrüstung tragen.
- Sägeraue Oberflächen vor dem Möbelbau abschleifen, um Verletzungen (z.B. Splitter) vorzubeugen.
- Alle Kanten sind optimalerweise mit einer Oberfräse (Fräser mit Mindestradius 3 mm) zu bearbeiten. Sollte keine Oberfräse vorhanden sein, muss die Kante von Hand auf einen Mindestradius von 2 mm geschliffen werden.
- OBSTKISTEN BUILDIFY
Die Obstkisten sind nur für das Aufbewahren leichter Gegenstände geeignet. Um dem Reißen und Spalten des Holzes vorzubeugen, die Bohrlöcher mit einem Bohrsenker vorbohren. - GERÜSTROHRE BUILDIFY
Die Stahlrohre sowie die dazu passenden Verbindungsteile und Fußplatten sind Möbelbauteile; die Verwendung als Gerüst oder Konstruktion für tragende Zwecke ist deshalb nicht zulässig.


























